產品名稱
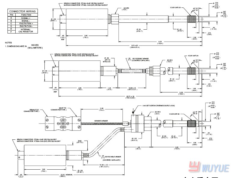
PT410高溫熔體壓力傳感器(high temperature melt pressure sensor)
特征與用途
特性: ★ 精度:±0.25% 量程:從0-500psi到0-10,000psi ★ 輸出:滿量程3.33mV/V 良好的熱穩定性和重復性 ★ 測量部位溫度可達到1,000'F(538℃) 通過CE認證 ★ 膜片材料Inconel 美國食品及藥品管理局(FDA) ★ 內部80%校驗 安全認證(GRAS) PT410高溫熔體壓力傳感器(high temperature melt pressure sensor)
技術參數
