產品名稱
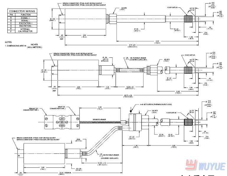
PT462XL高溫熔體壓力傳感器 (high temperature melt pressure sensor)
特征與用途
特性: ★ 具有柔性管,可使應變片外殼遠離高溫區 ★ 精度:高于±1.0% ★ 輸出:滿量程3.33mV/V ★ 厚膜片材料Inconel,適合于磨損較大的環境 ★ 熱穩定性優越 ★ 超耐用專利傳感元件 ★ 量程:從0-3000psi到0-30,000psi ★ 內部80%校驗 ★ 通過CE認證 TPT463E高溫熔體壓力傳感器(high temperature melt pressures sensor)
技術參數
