產品名稱
SPX2243高溫熔體壓力變送器(high temperature melt pressure transducer)
特征與應用
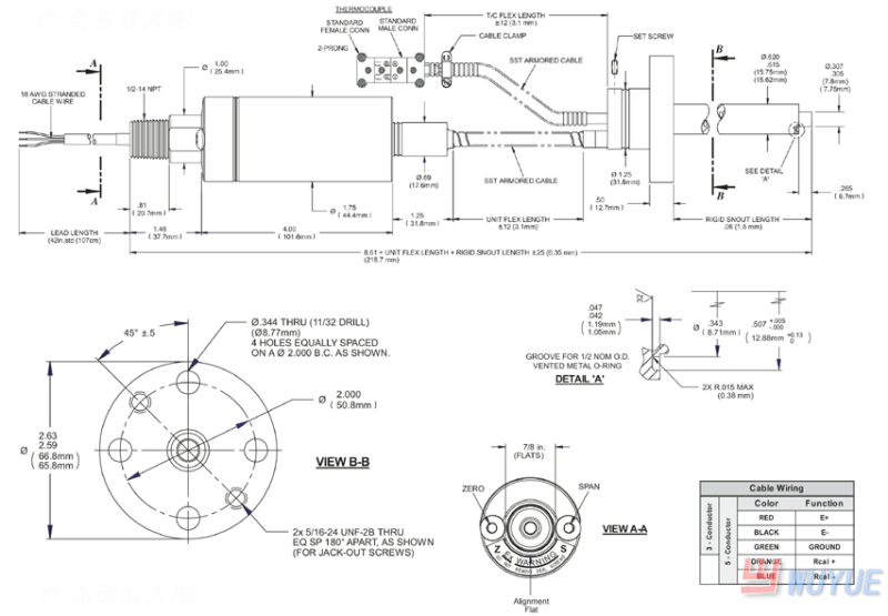
工作特性 ★ HARTTM數字通信 ★ 綜合誤差優于 ± 0.25% ★ 4-20mA 回路供電輸出 ★ 0-500 至 0-30,000 psi ★ 防爆、本質安全或 ATEX 認證 * ★ 符合 PED 和 CE 要求 優點 ★ 可通過手持方式進行配置 ★ 可重復性精密壓力測量 ★ 可將輸出直接傳送給 DCS 或 PLC ★ 用戶可以精確調整壓力范圍 ★ 危險環境使用認證 ★ 符合新的 EC 要求 產品描述 SPX2243 系列產品是一種設計用于危險地帶的智能型 4-20mA 壓力變送器。 SPX2243E 型產品通過了 1 Class , Division I, Groups A 、 B 、 C 和 D 的防爆認證。防爆型產品包括導線連接件。 SPX2243S 型產品通過了 ATEX II 1 G 100a 認證以及 Eex ia IIC 0 和 1 區域的本質安全認證。這種本質安全與 ATEX 型的產品既可以提供連接導線連接也可以提供 6 針連接接頭。 SPX2243 均采用全焊接結構,具有一個小膜片和一個安裝法蘭以便于安裝。此外,為適合測量熔體溫度,這個系列的產品可選購安裝有熱電耦或熱電阻 SPX224高溫熔體壓力變送器(high temperature melt pressure transducer)
技術參數
規格參數
|
工作特性 輸出:4-20mA,帶HARTTM選件 輸入電壓:16-36Vdc(標準型) 16-30Vdc(ATEX和本質安全應用型) 綜合誤差:滿量程的 ± 0.25% 在1,500psi的量程以內時為 ± 0.5% (包括線性、可重復性和滯后性測量) 可重復率:滿量程的 ± 0.1% 重新調整量程能力:3:1 向下 過壓能力:2×滿量程或35,000 psi,兩者取其小 零點平衡調節范圍:-40%至+10%; 500 psi以下時為-80%至+20% 增益量程調節范圍:最大為滿量程的 ± 2% 負載阻抗: 26Vdc 時為 500Ω 、 36Vdc 時為 1000Ω |
溫度和機械特性 最高膜片溫度:750°F(400℃) 零點漂移(隨溫度改變): 15 psi / 100°F典型值(27 psi / 100℃ ) 電子元件工作溫度:-20°-185°F(-29°-85℃) 超過補償溫度范圍的影響『0°至150°F(-18°-65°C )-零點和量程』: 0.01%滿量程/°F最大(0.02%滿量程/℃ 最大) 安裝螺栓扭矩: 40 inch / lbs. 最大 標準潤濕元件:DyMaxTM15-5 PH SST 涂層 |
